论坛数据统计           欢迎到【弱电论坛】来学习和讨论问题!

★电工电气产品供求、电气展会、人才、电气技术文章、图库、电气技术论坛等相关内容,请跳转至【电气之家网】--- 可直接使用本站会员名和密码登陆!(首次使用需要激活账户)
标王 热搜: *.mp3  海康威视  面板  cad  OTIS  视频监控  弱电  海湾  97x700  ae.shx 
 
 

ABB直流调速器电源励、磁板的故障检修

  • 安全检查:无病毒 无插件
  • 文件类型:Word文档
  • 文件大小:143K
  • 推荐星级:0 星级
  • 更新日期:2012-06-11 11:45
  • 浏览次数:182
  • 下载次数:3
点击放大图形 Word文档


常用软件下载
详细介绍
 
 
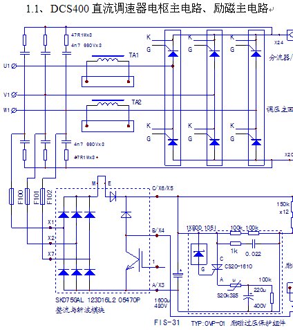
DCS400直流调速器,系ABB集团公司产品,厂商给出的产品名称为晶闸管变流器直流传动系统。在我国的直流调速领域应用也比较广泛,几乎于与欧陆590直流调速器平分秋色,系采用微控制器控制的高度智能化的直流调速装置。
整机电路(三相全控桥、励磁输出电路)由三块线路板构成,分别为CPU主板,电源/驱动板、励磁触发板。电源/驱动板与励磁触发板的故障率最高,应维修需要,测绘出了这两块线路板的电路原理图.
 
 
[ 下载搜索 ]  [ 加入收藏 ]  [ 告诉好友 ]  [ 打印本文 ]  [ 关闭窗口 ]
下载地址   【免费注册并赠送下载积分,支付积分后,请点击“主站下载”;】



您还没有登录,请登录后查看详情
免费注册为会员后,您可以...
发布供求信息 推广企业产品
建立企业商铺 在线洽谈生意
还不是会员,立即免费注册
 


【“弱电之家网”成立10周年,注册会员30万人,国内最优秀的弱电网站.支付宝淘宝合作商家】
 
    1、为了网站继续生存下去,只能适当收取些费用,论坛发贴可赚取积分下载,也可“支付宝在线充值”兑换积分;

    2、VIP会员包年下载50元/1年(服务期内不限量下载+信息发布+产品推荐);立即充值

    3、VIP会员包年下载90元/2年(服务期内不限量下载+信息发布+产品推荐);立即充值

    4、点击查看详细:VIP会员注册流程及付款   客服QQ:在线交谈 (点击交谈)

0条 [查看全部]  相关评论
 
 
 
 
 
 
推荐下载
本类下载排行
总下载排行
 
 
 
弱电基础 | 常用软件 | 信息发布规则 | 积分规则 | VIP会员注册 | 广告投放 | 弱电培训 | 联系我们 | 版权声明 | 帮助中心 | 网站地图 | 排名推广 | 京ICP备11008917号-3 | RSS订阅
★本站手机app客户端已上线! 点击下载