SUNWIND TE-230 11kW变频器电路及图解
- 安全检查:无病毒 无插件
- 文件类型:Word文档
- 文件大小:285K
- 推荐星级:0 星级
- 更新日期:2012-06-11 12:05
- 浏览次数:226
- 下载次数:2
|
|
 |
 |
详细介绍
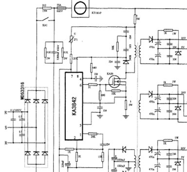
这是我于2003年七月份测绘的第一张变频器的整机电路原理图,虽为小功率机型,但麻雀虽小,五脏俱全,变频器所应有的功能电路,本机器是全部具备的。在这之前,已经安装和维修过变频器,但测绘变频器的电路,却是从这里开始的。对于我,本电路图,因而具有里程碑式的纪念意义了。
将变频器主电路——三相整流输入电路和三相逆变输出电路、开关电源电路及驱动电路画到同一张上的电路图,这也是唯一的一张,尤其是将驱动IC与IGBT模块的直接连接电路,这给不习惯将分立原理图合并起来看(作原理分析)的读者提供了诺大的方便。
[
下载搜索 ]
[
加入收藏 ]
[
告诉好友 ]
[
打印本文 ]
[
关闭窗口 ]
下载地址
【免费注册并赠送下载积分,支付积分后,请点击“主站下载”;】
【“弱电之家网”成立10周年,注册会员30万人,国内最优秀的弱电网站.支付宝淘宝合作商家】
1、为了网站继续生存下去,只能适当收取些费用,论坛发贴可赚取积分下载,也可“支付宝在线充值”兑换积分;
2、VIP会员包年下载
50元/1年(服务期内不限量下载+信息发布+产品推荐);
立即充值
3、VIP会员包年下载
90元/2年(服务期内不限量下载+信息发布+产品推荐);
立即充值
4、点击查看详细:
VIP会员注册流程及付款 客服QQ:

(点击交谈)