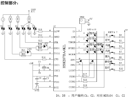
华芯(HUAXIN) HS8207BA4系列风扇控制说明书
- 安全检查:无病毒 无插件
- 文件类型:压缩文件
- 文件大小:165K
- 推荐星级:0 星级
- 更新日期:2010-05-21 11:18
- 浏览次数:1024
- 下载次数:413
|
|
 |
 |
详细介绍
生产企业: 苏州市华芯微电子有限公司
所属品牌: 华芯
适用型号: HS8207BA4;L;HS8207BA4K;L
[
下载搜索 ]
[
加入收藏 ]
[
告诉好友 ]
[
打印本文 ]
[
关闭窗口 ]
下载地址
【免费注册并赠送下载积分,支付积分后,请点击“主站下载”;】
【“弱电之家网”成立10周年,注册会员30万人,国内最优秀的弱电网站.支付宝淘宝合作商家】
1、为了网站继续生存下去,只能适当收取些费用,论坛发贴可赚取积分下载,也可“支付宝在线充值”兑换积分;
2、VIP会员包年下载
50元/1年(服务期内不限量下载+信息发布+产品推荐);
立即充值
3、VIP会员包年下载
90元/2年(服务期内不限量下载+信息发布+产品推荐);
立即充值
4、点击查看详细:
VIP会员注册流程及付款 客服QQ:

(点击交谈)