摘自赛尔资讯《2005-2006全国电力自动化行业商务年鉴》权威论坛栏目
北京利德华福电气技术有限公司 总工程师 倚鹏
高压变频器(在国外称中压变频器)自上个世纪九十年代中期开始在国内推广,经过十年的发展,今天已经普遍为市场所接受,估计今年的市场容量在10亿到20亿元人民币之间。本文将从产品技术和市场两方面分析高压变频器的特点。
一、高压变频器的产品和技术特点
上世纪八十年代到九十年代初,高压电机要实现调速,主要采用三种方式:(1)液力耦合器方式。即在电机和负载之间串入一个液力耦合装置,通过液面的高低调节电机和负载之间耦合力的大小,实现负载的速度调节;(2)串级调速。串级调速必须采用绕线式异步电动机,将转子绕组的一部分能量通过整流、逆变再送回到电网,这样相当于调节了转子的内阻,从而改变了电动机的滑差;由于转子的电压和电网的电压一般不相等,所以向电网逆变需要一台变压器,为了节省这台变压器,现在国内市场应用中普遍采用内馈电机的形式,即在定子上再做一个三相的辅助绕组,专门接受转子的反馈能量,辅助绕组也参与做功,这样主绕组从电网吸收的能量就会减少,达到调速节能的目的。(3)高低方式。由于当时高压变频技术没有解决,就采用一台变压器,先把电网电压降低,然后采用一台低压的变频器实现变频;对于电机,则有两种办法,一种办法是采用低压电机;另一种办法,则是继续采用原来的高压电机,需要在变频器和电机之间增加一台升压变压器。
上述三种方式,发展到目前都是比较成熟的技术。液力耦合器和串级调速的调速精度都比较差,调速范围较小,维护工作量大,液力耦合器的效率相比变频调速还有一定的差距,所以这两项技术竞争力已经不强了。至于高低方式,能够达到比较好的调速效果,但是相比真正的高压变频器,还有如下缺点:效率低,谐波大,对电机的要求比较严格,功率较大时(500KW以上),可靠性较低。高低方式的主要优势在于成本较低。
目前,主流的高压变频器产品主要有三种类型:
(1)电流源型。如图1。电流源型逆变部分采用SGCT直接串联解决耐压问题,直流部分用电抗器储存能量,目前的技术水平可以做到7.2KV输出电压,所以适应国内大部分电压为6KV这一现状。电流源型变频器输入侧的功率因数比较低,电抗器的发热量较大,效率比电压源型变频器低,由于采用电流控制,输出滤波器的设计比较麻烦,而两电平变频器的共模电压和谐波、dv/dt问题较突出,所以对电机的要求较高。虽然电流源型变频器有可回馈能量的优点,但是需要回馈能量的负载毕竟不是太多,尤其是通用型的变频器,所以电流源型变频器的市场竞争能力已经逐渐变弱。
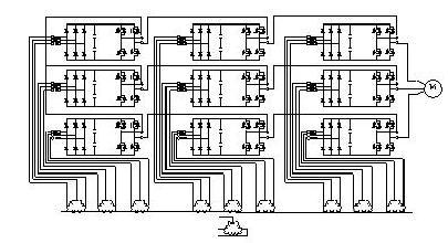
(2)功率单元串联多电平型。如图2。此变频器采用多个低压的功率单元串联实现高压,输入侧的降压变压器采用移相方式,可有效消除对电网的谐波污染,输出侧采用多电平正弦PWM技术,可适用于任何电压的普通电机,另外,在某个功率单元出现故障时,可自动退出系统,而其余的功率单元可继续保持电机的运行,减少停机时造成的损失。系统采用模块化设计,可迅速替换故障模块。由此可见,单元串联多电平型变频器的市场竞争力是很明显的。
(3)三电平型。如图3。三电平型变频器采用钳位电路,解决了两只功率器件的串联的问题,并使相电压输出具有三个电平。三电平逆变器的主回路结构环节少,虽然为电压源型结构,但易于实现能量回馈。三电平变频器在国内市场遇到的最大难题是电压问题,其最大输出电压达不到6KV,所以往往需要采用变通的方法,要么改变电机的电压,要么在输出侧加升压变压器。这一弱点限制了它的应用。
目前,虽然有人提出了其他不同的高压变频器解决方案,但大都不具有明显的可行性,或者说不具有将上述三种主流变频器结构取而代之的潜力。随着高压变频器成本的进一步降低,在中等功率市场,高低型变频器将会退出竞争,而只关注于较小功率的场合。对于单元串联多电平型变频器,主要缺点是变流环节复杂,功率元器件数目多,体积略大一些,但是,在其他的方式不能解决国内应用的需要,高压器件应用的可靠性还不是太高的情况下,其竞争优势在最近的一段时期内,可能还是无法替代的。三电平型变频器由于输出电压不高的问题,主要的应用范围应该是在一些特种领域,如轧钢机、轮船驱动、机车牵引、提升机等等,这些领域的电机都是特殊定制的,电压可以不是标准电压。在一定的功率水平,三电平型变频器取代传统的交交变频器是技术发展的趋势。三电平变频器的更大发展有待于更高耐压的功率器件的出现和现有产品可靠性的进一步提高。在超大功率场合,即大约8000KW以上的功率,用可控硅构成的LCI(负载换流逆变器)电流源型变频器仍旧是主角。
由于上述的技术特征,通用型高压变频器目前是单元串联多电平型变频器占多数,约7成以上。目前国内以利德华福为代表的高压变频器厂家有不下二十家,基本都采用这种电路结构。
二、高压变频器的市场特点
(1)市场普遍接受。如果在5年以前推广高压变频器,一般还要给用户讲解其原理,为什么要使用它。但是现在,经过众多厂家的共同努力,和市场使用效果的宣传,用户已经普遍接受高压变频器,只是在众多厂家中选择谁的问题。
(2)业绩很重要。高压变频器一般功率较大,都使用在非常关键的部位。所以用户对产品的可靠性是最关心的。考查可靠性的最好办法,就是去已经使用的用户那里去了解情况,这样的用户越多,说服力就越强。
(3)服务的重要性不容忽视。高压变频器是大功率的电子设备,在使用中,总会遇到一些问题,高压变频器工作的场合又非常关键,因此,对用户的及时服务是非常重要的。服务是维持用户关系的非常重要的方面。如果服务不到位,或者像有些国外厂家,服务和备件的价格较高,都会影响用户的选择。
(4)现场的适应性非常重要。一般的高压变频器开发厂家,在自己的实验室里,都很难完全模仿用户现场的情况,所以,产品设计的灵活性怎么样,到了现场遇到问题能否尽快解决,都是非常重要的。由于耗电量大,负载又非常重要,用户往往不希望设备较长时间的试运行,所以,产品设计不严谨,一旦遇到问题,就非常难以解决。近年来,许多厂家的产品裹足不前,就是这个原因。
(5)价格进一步下降。由于激烈的竞争,以及后来者为了夺取业绩而不得已采用的低价策略,高压变频器的价格下降很快,在某些项目上,一些竞争厂家报出的价格甚至低于成本价。
随着技术的进步,高压变频器除了在已有的市场上继续扩大规模外,还将进一步扩展应用的领域,对于很多负载,还需要解决变频器的工程应用上的问题。总之,高压变频器正在迎来发展的黄金时期。 
图1 电流源型高压变频器 
图2、功率单元串联多电平型高压变频器 
图3 三电平型高压变频器
欢迎到