·应用领域:
■关键任务应用;
■实时过程控制;
■互相关联的大型网络;
■关键负载高速数据处理;
■停电故障会付出昂贵的代价。
·方案特点:
■可扩展性:可按需要随时扩展冗余并机系统,轻松实现N+1冗余并机方式运行;
■可靠性:任何一台UPS出现故障,该台UPS自动退出运行,剩余UPS自动承担全部负载,保障系统正常运行;■可用性:其中一台UPS出现故障不影响系统运行,无需停机等待修复,有效提高平均无故障时间,最大限度的保护负载正常运行。
·两台UPS冗余并机方案:
为了容易分析,在这里只用两台UPS作1+1冗余并机,如图1所示。后面的所有负载之和小于100kVA,两台UPS的输出电压在输出配电柜内直接并机,然后再通过开关Q给负载供电。如果遇到双电源负载就可以分别从输出配电柜上各引一路到负载,同时满足双电源输入的条件,如图中S3、S4所示。

·两台UPS冗余并机供电的可靠性分析:
为了对可靠性有一个大略的数值概念,在这里只对UPS本身的并机进行讨论,至于那些必不可少的断路器开关,不论用什么方式供电都是必不可少的,大家都一样,所以暂不考虑,在这里只讨论有区别的部分。假如每台UPS的可靠性r=0.99,为了简单起见,暂认为两台UPS的可靠性相等,就可做出双机1+1冗余并机供电的可靠性模型图,如图2所示。

此时,这个供电系统的可靠性就R2是:
不可靠性Q=1-可靠性=1-0.9999=0.0001,不可靠性是万分之一,故障率也大约是万分之一。即双机冗余并机后,使系统的可靠性提高了两个数量级。其原因是它可以使可用性表达式中的平均修复时间MTTR减到最小。
另外,双机冗余并机结构的系统有一个突出优点,就是过载能力特强:具有2倍UPS单机的过载能力。
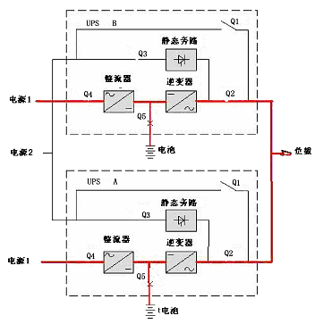
·UPS冗余并机基本工作原理:
正常运行状态:

负载由UPS A和UPS B的整流器--逆变器来供电,同时向各自的电池组充电,每台UPS的逆变器各带50%的负载运行。
UPS在线维护:

当其中一台UPS故障时(例如UPS A),会自动退出运行,由剩下的一台UPS带100%负载运行。对故障的UPS可通过断开其Q1、Q2、Q3、Q4和Q5等隔离开关进行安全地维修,维修之后再投入运行,其状态如上所述。
即使在UPS没有发生故障时,也可利用这种状态对其内部进行维护保养,例如:清扫灰尘、紧固联接件、检测或更换电池等。
·UPS冗余并机方案图:
供电方案图:


·示意方案图:

欢迎到